Шайба радиусные ОСТ 1 11494, 11495, 11496, 11497, 11498
Шайба радиусные ОСТ 1 11494, 11495, 11496, 11497, 11498 на Ehkskavator.ru. Цена: 200 рублей, Фото. Ищите где купить технику, запчасти, оборудование, материалы, инструменты? Объявления о Шайба радиусные ОСТ 1 11494, 11495, 11496, 11497, 11498 от компаний и частных лиц и в других городах России! на страницах доски объявлений Ehkskavator.ru
| ||||||||||||||||||||
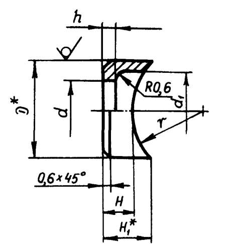
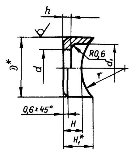
ОписаниеШайба радиусные ОСТ 1 11494, 11495, 11496, 11497, 11498:Изготавливаем по заявкам радиусные шайбы для конических болтов. Шайбы предназначены для крепежа с наружной цилиндрической поверхностью. Шайбы изготовлены строго по стандартам ОСТ 1 11494-74, ОСТ 1 11495-74, ОСТ 1 11496-74, ОСТ 1 11497-74, ОСТ 1 11498-74, ОСТ 1 11499-74. Являются заменой нормалям 1273С50, 1274С50, 1605С50, 1272С50, 1603С50, 1604С50. радиусная шайба, радиусные шайбы купить, ост 1 11497 74, ОСТ 1 11494-74, ОСТ 1 11495-74, ОСТ 1 11496-74, ОСТ 1 11497-74, ОСТ 1 11498-74, ОСТ 1 11499-74, шайба для конических болтов, 1273С50, 1274С50, 1605С50, 1272С50, 1603С50, 1604С50 Показать все
| ||||||||||||||||||||










